|
|
|||
|
|
|||

|
|
|
|
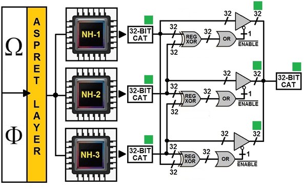
Triple
Modular Redundancy (TMR) has traditionally been used for protecting digital
logic from the SEUs in space born applications. The main usage has been either
on module level or for the protection of sequential elements in digital
logic. A very simple method to implement SEU mitigation in an FPGA design is
to replicate redundant instances of an entire module and vote on the module's
final outputs. In this context a module can represent the entire design of a
particular device or its subcomponent. This is a very effective means of SEU
mitigation that is easy to implement and can be done entirely within a single
FPGA device as long as the module uses no more than a third of the total
device. Triple
device redundancy and mitigation is an alternative method that has the
highest reliability for detecting single and multiple event disturbances,
multiple transient disturbances, and any other functional interruptions
including total device failure. NHTMR has
been designed to work with FPGAs and ASICs and is therefore based on device
redundancy. The redundancy of the device can be managed by hardware (FPGA) or
by software through communication on multiple ports of various types. |
|
|
|
||||||
|
|
|
X+ |
X- |
Y+ |
Y- |
Z+ |
Z- |
|
A |
H |
H |
H |
H |
VH |
L |
|
|
B |
H |
H |
M |
H |
H |
H |
|
|
C |
H |
H |
H |
L |
H |
H |
|
|
D |
H |
H |
H |
H |
VH |
L |
|
|
NHTMR = B + C + ( A
|| D ) |
|||||||
|
NHTMR OPTIMIZED SHIELDING ( SINGLE RADIATION
SOURCE ) |
|||||||

|
WHO_WE_ARE WHAT_WE_DO TECHNOLOGY General Synaptics Aerospace_&_Defence_Machine_Learning_Company VAT NUMBER:_IT0267070992 REA NUMBER: GE-503104 Email:_luca.marchese@synaptics.org |
|
Contacts_and_Networks |
|
Copyright_©_2025 General Synaptics |